Choosing the Right Rod End Style
Explore the different types of rod end styles available for hydraulic cylinders and the best use cases for each.

Explore the different types of rod end styles available for hydraulic cylinders and the best use cases for each.

When a machine uses hydraulic cylinders, the design team will ensure they can be easily removed for maintenance, repair, or replacement, such as replacing seals or inspecting leaks. Making removal straightforward means examining how both the cylinder body and the rod end are mounted to the equipment. As it’s the moving end of the cylinder, the rod end can be more complicated, so it needs close attention.
The end of the cylinder rod attaches to some form of shank fixed to the arm or mechanism being moved. The connection between the rod end and the shank must have the strength and fatigue resistance to handle the tensile and compressive loads expected. For many applications, it must also handle lateral and/or torsional loads.
Tie rod cylinders are almost always designed with rod end styles that meet National Fluid Power Association (NFPA) standards. These were identified with terms like NFPA IM #1, but more recently, the KK1 and KK2 designations now take precedence. Welded cylinders may also use rods with ends meeting the NFPA standards, but customization is far more common.
When choosing a hydraulic cylinder end style, it’s important to understand which designs are widely used and why. Additionally, when replacing an existing unit, knowing the rod end style ensures that its replacement can be installed readily.

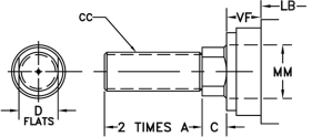
In this style, the end of the rod is turned down slightly with a thread cut in. Parallel flats are milled into the rod just behind the thread so it can be gripped with a wrench. This style requires a female thread in the mating shank.
The old NFPA designations for this were IM #1 and SM #2, with #2 being the heavier-duty option. Today, this rod end style is designated as KK1. It is the default end style, used unless the application requires something different, such as high side loads, long strokes, or dirty or corrosive environments.

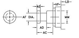
Referenced as NFPA SF #4 or KK2, a standard female design is drilled and threaded, with a raised boss around the hole and milled-in parallel flats.
The style, which requires a male shank, provides higher stiffness and fatigue resistance than the male design. It lasts longer in high-lateral-load applications, and since no threads are exposed, it’s a better choice for dirty environments or where the rod end will be exposed to corrosive fluids.

This refers to a female, KK2-style rod end with a male stud inserted into the threaded hole and with flats milled onto the stud. It’s used in specialized situations, such as:

A clevis joint allows rotation around a single axis. For the rod end of a hydraulic cylinder, this involves screwing a U-shaped clevis connector onto a male rod end. However, the KK1 design needs modification to work.
At the end of the rod, there is a short unthreaded length that acts as a pilot section. At the front of this is a cross hole that takes the pin. Behind the pilot are flats for alignment and a thread for a jam nut.
This style of rod end enables a connection to a moving mounting point while avoiding side loading. It is still a male design and has the limitations associated with that style.

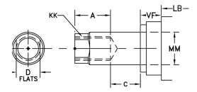
This is a male-style rod end with a pair of radial holes that accept pins or rods. These holes replace the flats that are usually milled so the rod can be turned with a wrench. This design allows very precise angular rotation and is used when there’s not enough space to get a wrench onto the rod.

This style has a deeper threaded hole and lacks the flats present on the KK2 design. It provides a female interface for situations where there’s not enough space to use a wrench, or there’s concern about flats acting as stress risers.

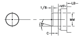
This design features a hole through the boss at the end of the rod. The goal is to allow connection to a clevis joint with a female shaft. This style provides a compact, space-saving arrangement that accommodates side loads while providing strength and resisting dirt and corrosion.
Yates Cylinders is a world-class, U.S. based hydraulic cylinder manufacturer specializing in custom tie rod, welded, and mill-duty designs. Whether you’re looking for an out-of-the-box replacement or a new design, we’re ready to help.
Visit our website to explore our available designs or contact us online to get started with a project consultation.
